| 型號 | ZAS-50-5 | ZAS-50-12 | ZAS-50-18 | ZAS-50-24 | ZAS-50-36 | ZAS-50-48 |
| 直流輸出電壓、電流 | 5V 0~10A | 12V 0~4.16A | 18V 0~2.7A | 24V 0~2.08A | 36V 0~1.3A | 48V 0~1A |
| 紋波及噪音 | 50mVp-p | 100mVp-p | 100mVp-p | 100mVp-p | 100mVp-p | 100mVp-p |
| 進線穩定度 | ±0.5% | ±0.3% | ±0.2% | ±0.2% | ±0.2% | ±0.2% |
| 負載穩定度 | ±0.5% | ±0.3% | ±0.2% | ±0.2% | ±0.2% | ±0.2% |
| 效率 | 78% | 81% | 84% | 84% | 84% | 84% |
| 直流電壓可調范圍 | ±10% | ±10% | ±10% | ±10% | ±10% | ±10% |
| 輸入電壓范圍 | 85~265VAC/120~375VAC 頻率 47~63Hz | |||||
| 沖擊電流 | 冷啟動電流 30A/115VAC 60A/230VAC | |||||
| 過載保護 | 105%~150%切斷輸出,自動恢復 | |||||
| 過電壓保護 | 關斷輸出電壓、重啟恢復 | |||||
| 啟動、上升、保持時間 | 200ms, 50ms, 20ms/230VAC 滿負載 | |||||
| 耐壓性 | 輸入輸出間:1.5kV 輸入與外殼間:1.5kV 輸出與外殼間:0.5kV 一分鐘 | |||||
| 隔離電阻 | 輸入輸出間 輸入與外殼間 輸出與外殼間:500VDC/100M | |||||
| 工作溫度 | -10℃~+50℃ | |||||
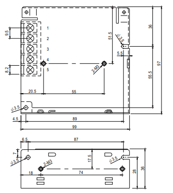
| 尺寸 | 99×98×30mm | |||||
| 重量 | 0.2kg | |||||
| 包裝 | 43×32.5×24CM/30PCS/18kg | |||||
