安森美半導體的最新電源控制器NCP81239是USB Type-C和QC 3.0的理想選擇
隨著電腦、手機、數碼相機等電子產品的普及,電子設備間通過互聯來傳輸數據以及快速充電的應用越來越多,這就使USB Type-C和Quick Charge(QC)成為市場發展的新趨勢。USB Type-C接口的目標是將不同電子設備之間的互聯采用統一的接口,同時可以提供電源和傳輸數據,也支持音視頻和客戶個性化的通信協議。而Quick Charge是通過提升輸出電壓來降低電纜和接頭上的損耗以增大輸出功率,并通過USB 信號線D+、D-的不同狀態來設定輸出電壓。
因此,要想滿足USB Type-C和Quick Charge這兩個標準,就需要一款能夠根據用電設備的要求進行電壓調節的電源控制器。安森美半導體的單電感H橋升降壓電源控制器 NCP81239就是非常理想的選擇。它可以適配寬輸入電壓范圍和寬輸出電壓范圍,芯片集成的I2C接口可和外部的微控制器(MCU)配合進行輸出電壓的步進調整,且可在同一個Type-C端口實現多種快充協議,還能對接蘋果Lighting 接口快充協議、三星接口快充協議等等。
NCP81239的功能特性及工作原理
NCP81239支持寬輸入電壓范圍,提供從150 kHz至1.2 MHz動態可編程的開關頻率,集成4個MOSFET驅動,采用雙沿電流模式控制,支持輸出預偏置啟動,自適應死區時間控制防止直通,具有獨立的輸入和輸出電流檢測,輸出電壓(范圍0至20V)可以通過I2C 編程,集成過壓、欠壓、過流和精確的過載保護等完善的保護功能,同時還提供對5 V Vconn電源的保護。
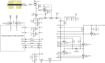
NCP81239典型應用電路圖
NCP81239采用雙沿電流模式升降壓控制,可實現降壓模式到升壓模式的無縫切換。I²C接口僅用兩條信號線實現雙向串行通信,開漏極的連接可以方便的在不同邏輯電平間接口,兼容1.8 V,2.5 V,3.3 V和5 V邏輯電平的MCU。
輸入輸出電流可以通過高邊的檢測電阻進行檢測,檢測到的電壓分為內部和外部兩個通道:內部電流信號用于電流模式的環路控制和限流保護,過流保護可以通過內部寄存器進行設置或屏蔽,內部固定增益為10倍,內部電流值通過模數轉換器(ADC)存入對應的寄存器,可以通過I2C讀取;外部電流信號可以被MCU讀取執行相應的軟件操作,外部的阻抗可以設定電流測量的量程,電流檢測運放跨導為5mS,外部也可以接電阻電容將電流信號濾成平均值。
NCP81239內置4通道7位ADC,可實現輸入、輸出之間的A/D轉換,相應的值可通過I2C讀取內部寄存器的方式進行讀取。內部的反饋參考電壓通過9位的DAC進行設定,參考電壓范圍為0 V到2.55 V,輸出電壓范圍同時可以通過外部的分壓網絡進行設定。由于內部步長有9位ADC,步長比較小,所以便于用MCU I2C接口進行設定補償電纜壓降,從而使負載端電壓可保持在設定值的誤差范圍內,非常適合QC3.0 或USB PD等需要調壓的場合。
在USB PD、QC2.0、QC3.0等規格下,如需對輸出電壓進行動態的設定,會涉及到調壓速率。如果調壓速度過快會導致電感電流過沖,輸出電壓過沖或下沖。NCP81239內置寄存器,可通過I2C接口設置,從而控制調壓時電壓上升和下降的斜率。
NCP81239通過RS1檢測輸入的峰值電流來進行正向過流保護,限流模式為逐波加打嗝模式。無論在降壓模式還是在升壓模式,在一個周期中檢測到過流時,會立即關斷Q1限制輸入功率。如果逐波限流的時間達到2mS或FB電壓低于300毫伏,則進入快速關斷模式,同時關斷4個開關,10 mS 后會重新軟啟動到原來設定的輸出電壓和電流。過流保護值可以通過I2C或電流檢測電阻進行設定,電流檢測電阻的選擇要保證CSP1-CSN1的電壓在過流時也不要超過100mV的運放差模電壓范圍。如果采用5毫歐檢測電阻,對應的峰值過流保護值如下表,默認值7.6 A。
對4開關同步整流的升降壓控制在輕載模式、重載到輕載的轉換過程、輸出過壓保護、輸出從高電壓向低電壓調整過程中會有反向電流產生。CSP2/CSN2用于反向電流的檢測,當反向電流超過限流設定值時,如果輸出電壓在設定電壓范圍內,Q4會立即關斷防止反方向電流繼續增加。如果是在在降壓模式下,Q2關斷時Q4會重新導通。過流保護值可以通過I2C或電流檢測電阻進行設定,電流檢測電阻的選擇要保證CSP2-CSN2的電壓在過流時也不要超過100mV的運放差模電壓范圍。如果采用5毫歐檢測電阻,對應的峰值過流保護值如下表,默認值-8 A。
當輸出電壓高于設定值110%,時間超過一個開關周期,NCP81239會進入過壓保護模式。過壓保護時,S1關斷,S2導通,S3和S4會交替導通將輸出電壓放電,同時防止反向電流超過設定的反向保護電流值。在輸出過壓故障下,開關頻率會降到50KHz,防止電感飽和,同時降低功率管上的功耗。
傳統的同步整流控制在輸出有預偏置電壓時啟動,輸出會先放電然后上升。NCP81239在輸出有預偏置時,啟動時會工作在非同步整流模式,不會對輸出放電,適合用于電池負載的場合。
輸出電壓在設定值+/-5%以內,延遲3.3mS后會發出Power Good 信號。如果輸出電壓超出設定值的+/-7 %超過一個開關周期,Power Good 寄存器復位,輸出中斷信號。
NCP81239支持4個I2C地址,可以根據客戶的需要在芯片出廠前進行配置,默認型號的I2C地址為E8h/E9h。
此外,NCP81239自身有過熱保護,芯片結溫超過150度,會關斷外部的4個開關,溫度降至125度后會重新啟動。
評論列表
我要評論